乐发500

欢迎来到「智力创」PCB线路板打样厂家 官方网站!
乐发500
当前位置: 首页 > PCB资讯 > 行业新闻 > PCB设计干货

PCB PROFILE

PCB资料

扫一扫
了解更多
智力创电路板

PCB资料
PCB资讯
咨询服务热线135 3081 9739

十年

专业电路板生产制造

PCB打样 快速出样 品质承诺

当前位置: 首页 > PCB资讯 > 行业新闻 行业新闻

PCB设计干货

文章来源: 智力创电路板     阅读次数:3665     发表时间:2022-05-09 09:05:00    

[导读]:在集成电路应用设计中,项目原理图设计完成之后,就需要进行PCB布板的设计。PCB设计是一个至关重要的环节。设计结果的优劣直接影响整个设计功能。因此,合理高效的PCB Layout是芯片电路设计调试成功中至关重要的一步。本次我们就来简单讲一讲PCB Layout的设计要点。

电源/地线处理

既使在整个PCB板中的布线完成得都很好,但由于电源、 地线的考虑不周到而引起的干扰,会使产品的性能下降. 布线时尽量加宽电源、地线宽度,最好是地线比电源线宽,它们的关系是:地线>电源线>信号线。对数字电路的PCB可用宽的地导线组成一个回路, 即构成一个地网来使用(模拟电路不能使用该方法)。用大面积敷铜层作地线用,在印制板上把没被用上的地方都与地相连接作为地线用。或是做成多层板,电源、地线各占用一层。

数字与模拟电路的共地处理

数字电路与模拟电路的共地处理: 数字电路与模拟电路共同存在时,布线需要考虑之间互相干扰问题,特别是地线上的噪音干扰。数字电路的频率高,模拟电路的敏感度强,对信号线来说,高频的信号线尽可能远离敏感的模拟电路器件,对地线来说,整个PCB对外连接界只有一个端口,所以必须在PCB内部进行处理数、模共地的问题,而在板内部数字地和模拟地实际上是分开的它们之间互不相连,只是在PCB与外界连接的端口处(如插头等), 数字地与模拟地有一点短接,请注意,只有一个连接点。

信号线分布层

信号线布在电源(地)层上: 在多层印制板布线时,由于在信号线层没有布完的线剩下已经不多,再多加层数就会造成浪费也会给生产增加一定的工作量,成本也相应增加了,为解决这个矛盾,可以考虑在电(地)层上进行布线。首先应考虑用电源层,其次才是地层。因为最好是保留地层的完整性。

信号流向设计

PCB布局设计时,应充分遵守沿信号流向直线放置的设计原则,尽量避免来回环绕。

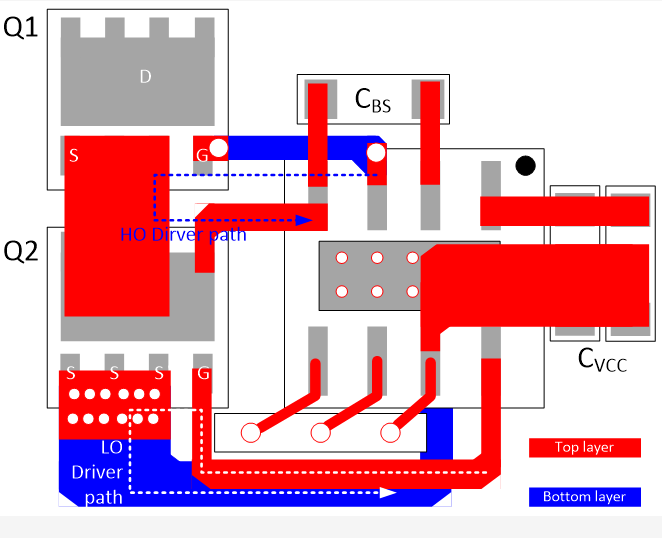
Layout设计建议

乐发5001. 驱动芯片与功率MOSFET摆放尽可能靠近;

2. VCC-GND(CVCC) / VB-VS(CBS)电容尽可能靠近芯片;

3. 芯片散热焊盘加一定数量过孔并且与GND相连接(增加散热、减小寄生电感);

4. GND布线直接与MOSFET 源极(source)相连接, 且避免与源极(source)-漏极(drain)间大电流路径相重合, VS 同理GND布线原则(避免功率回路与驱动回路重合);

5. HO/LO布线尽量宽(60mil-100mil,驱动电流比较高,降低寄生电感的影响);

6. LIN/HIN 逻辑输入端口尽量远离HS布线(避免过高的电压摆动干扰到输入信号)。

image.png

标题:PCB设计干货 网址:http://sukimamix.com/support/show/id/682.html

*本站所有相关知识仅供大家参考、学习之用,部分来源于互联网,其版权均归原作者及网站所有,如无意侵犯您的权利,请与小编联系,我们将会在第一时间核实,如情况属实会在3个工作日内删除;如您有优秀作品,也欢迎联系小编在我们网站投稿! 7*24小时免费热线: 135-3081-9739

文章关键词:PCB设计干货
网站首页 PCB产品 PCB工艺 PCB应用 PCB资讯 PCB资料 乐发500 联系我们
关注我们 扫一扫 立即咨询
智力创承接中小批量:铝基板,HDI板,双面板,多层线路板等PCB线路板打样厂家   Copyright 2023 © 版权所有 乐发500   技术支持:顾佰特科技     XML地图 网站地图
在线客服
联系电话
索要报价
扫一扫

扫码快速获取报价
135-3081-9739

返回顶部
500505百万文字论坛综合资料-500308百万文字论坛-780790百万文字论坛红字-798790百万文字论坛下载-500505百万文字论坛雷锋版 天天中彩票-Welcome首页 乐盈VI 98彩票|官方网站 佰富彩 - IOS/安卓通用版 旭彩网 - welcome 佰富彩-安全购彩 佰富彩-welcome